東莞市賽朗密封科技有限公司
手機:13450082237
電話:0769-22210391
傳真:0769-22217692
網址:www.sllseals.com
郵箱:13450082237@163.com
地址:廣東省東莞市東城街道桑園社區(qū)銀貴路6號
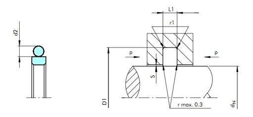
1.TFMI活塞桿密封標準材料:
密封體(密封環(huán)):填充聚四氟乙烯F-PTFE和聚氨脂密封環(huán)
彈性體O形圈:丁腈橡膠NBR或氟橡膠(FKM,FPM)

2.應用范圍
軸用格來圈一般在液壓往復運動環(huán)境作業(yè)。正確使用可以可在高、中、低壓及重載、高頻工況下的活塞桿密封場合非常出色。GSI型軸用格來圈特別適用在長行程的情況,并在范圍較廣的流體和高溫場合,可適用較大的活塞桿間隙。例如用在(挖掘機、推土機、鍛壓機、陶瓷壓磚機、軋鋼機、伺服閥和其它機床)等設備中得到廣泛的應用。
3.參考標準:
GSI型軸用格來圈設計選用時可參考Parker公司ON系列以及Trelleborg公司RG4系列標準等。
4.特性及優(yōu)點
1.溝槽簡單,可用于整體式活塞。
2.摩擦力小,無爬行現象。
3.靜密封性能非常好。
4.由于較大的擠出間隙,在有污物的介質中也可安全使用。
5.由于可采用較多的材料,所以對工作條件的適應性強。
6.可允許較大的擠出間隙,視應用場合而定,故可降低加工費用。
7.適于最新環(huán)保安全的液壓液(生物油)。
