東莞市賽朗密封科技有限公司
手機(jī):13450082237
電話:0769-22210391
傳真:0769-22217692
網(wǎng)址:www.sllseals.com
郵箱:13450082237@163.com
地址:廣東省東莞市東城街道桑園社區(qū)銀貴路6號(hào)
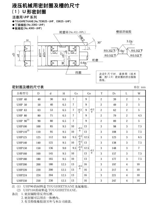
華爾卡密封件系列密封圈,孔軸兩用UHS系列、孔軸兩用UNS系列、活塞用UHP系列、活塞用UNP系列、活塞桿用UHR系列、活塞桿用UNR系列、防塵圈DHS系列。
如需要詳細(xì)價(jià)格,請(qǐng)致電我司咨詢。









專業(yè)從事于 點(diǎn)膠機(jī)泛塞封,點(diǎn)膠機(jī)泛塞,彈簧蓄能密封圈, 歡迎來電咨詢!